Research
Graduate students in the Self lab (and sufficiently advanced undergraduate students) are expected to lead at least one project to serve as the basis for their dissertation. However, students are highly encouraged to collaborate and work interdependently. Below are the primary research themes of our research, and following that you’ll find specific on-going projects. Notice that many projects span several research themes.

Ongoing projects
Light-based additive manufacturing of super-soft PDMS networks: (2)
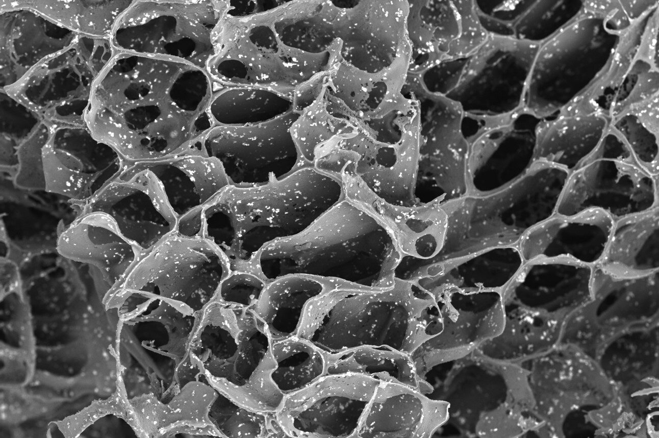
Reactive freeze-casting of PDMS thermosetting elastomers: (1), (2)

Photo-grafting of photo-responsive polymers for synthesizing functional substrates: (2), (3)
Polymerizable emulsions for the generation of structured direct air capture (DAC) sorbent materials: (1), (3)

Liquid-metal-containing foams for smart sensing: (1), (2), (3)
